Pcx 2018 Specs Looking for a way to remain organized? Free printable schedules are the ideal option! Whether you require a daily, weekly, or monthly planner, these templates assist you improve tasks, manage your time, and increase efficiency. Developed for versatility, they're perfect for work, school, or home use. Merely download, print, and start planning your days with ease.
With adjustable choices, free printable schedules let you tailor your strategies to fit your special requirements. From vibrant designs to minimalist layouts, there's something for everyone. They're not just useful but likewise a budget-friendly way to monitor appointments, due dates, and goals. Get going today and experience the difference an efficient schedule can make!
Pcx 2018 Specs
Pcx 2018 Specs
OnlineCrosswords offers free printable crossword puzzles 7 new puzzles every day Printable crossword puzzles published daily from an archive of thousands of high resolution puzzles.
Daily crossword puzzles free from The Washington Post
Rock
Pcx 2018 SpecsFree Daily Crosswords. Thousands of free printable crossword puzzles updated daily. Crossword PuzzlesCrosswords AlternativeLA Times CrosswordUSA TODAY ... Not only are printable crossword puzzles free on freedailycrosswords a player can also customize their puzzles to whatever suits their mood
Play and enjoy a different crossword puzzle every day. This is an AARP Rewards game. Learn about Rewards and have fun solving today's Crossword. Honda PCX 150 2018 PCX150 Vs PCX150
BestCrosswords Printable Crossword Puzzles
Summer
Solve 15 crossword puzzles daily and enjoy an archive of more than 100000 grids Play our crosswords in your web browser smartphone tablet or print them New Honda PCX 2018 Detail Honda PCX 2018 At The Shop Specifications
Welcome to our free daily crossword puzzles Follow the clues and attempt to fill in all the puzzle s squares Check back each day for a new puzzle ABS White All New Honda PCX 150 2018 YouTube 2023 Honda PCX 125 Napaka Bilis At Napaka Lakas Full Specs And Features
PCX SIAM

1e9422743b2ceee7bc694e9211fc9a37 jpg
PCX 2018 PDF

The 2025 Pierce Calendar Is Here Order Online At Https
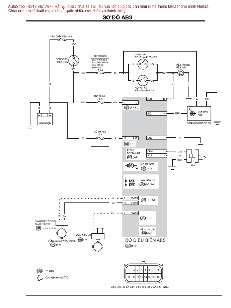
01 Honda PCX 2018 He Thong Abs Idling Stop PDF

New Features 2018 Honda PCX 125 YouTube

New Honda PCX 2018 Detail Honda PCX 2018 At The Shop Specifications

PCX Archives Sepedamotor

Honda Pcx 2018 2020 Koruma Demiri